服務熱線
0769-28680919
153-2293-3971

產品特點:
1、可根據被測物體要求,每個照射面的照射角度和亮度可獨立調整。
2、通用性較好,適用于眾多場合,大幅面照明首選。
應用領域:
1、PCB基板檢測
2、電子元件檢測
3、焊錫檢測
4、包裝破損檢測、標簽檢測、條碼識別
5、球形物體檢測
6、產品定位識別
性能參數:


產品系列選型表:

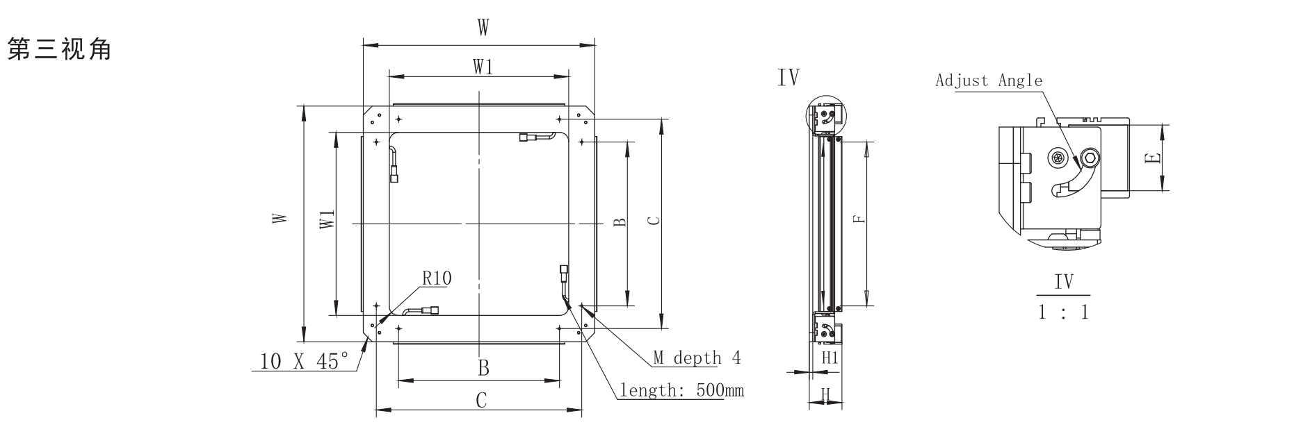
尺寸示意圖:

四面可調光源應用實例:
鍵盤字符識別,使用四面可調光源,自由的調整各個光源的角度,使產品的表面亮度均勻,字符清晰。可檢測鍵盤字符漏印歪斜等缺陷。

照射原理:

官方公眾號
官方抖音號Copyright ? 2022 東莞康耐德智能控制有限公司版權所有.機器視覺系統 粵ICP備2022020204號-1 聯系我們 | 網站地圖